Miért részesítjük előnyben az egyenáramú hajtóműves motorokat az AC motorokkal szemben?
Hagyjon üzenetet
Bevezetés
Az egyenáramú hajtóműves motorok alacsony fordulatszámuk, nagy nyomatékuk és kompakt kialakításuk miatt ideális választássá váltak számos precíziós vezérlőberendezéshez. Az egyenáramú motor és a hajtómű-csökkentő kombinálásával nemcsak növelik a teljesítményt, hanem rugalmas fordulatszám-szabályozást is lehetővé tesznek, így széles körben alkalmazzák őket olyan területeken, mint a robotika, az intelligens otthoni eszközök és az orvosi berendezések.
Ez a cikk az egyenáramú hajtóműves motorok meghatározását, működési elveit és alkalmazásait mutatja be különböző eszközökben. Összehasonlítjuk továbbá az egyenáramú hajtóműves motorok előnyeit a léptetőmotorokkal és a váltakozó áramú motorokkal, így jobban megértheti, miért foglalnak el jelentős szerepet az egyenáramú motorok a modern technológiában.
Mi az egyenáramú hajtóműves motor
Az egyenáramú hajtóműves motor egy alacsony fordulatszámú, nagy nyomatékú motor, amely egy egyenáramú motort és egy sebességváltó-csökkentőt, más néven hajtóműves motort integrál. Fő funkciója a motor fordulatszámának csökkentése egy fogaskerekes átviteli mechanizmuson keresztül, miközben növeli a kimeneti nyomatékot, hogy megfeleljen a különféle mechanikus eszközök teljesítményigényének. Ez az integrált kialakítás nemcsak helyet takarít meg, hanem javítja a hatékonyságot is, így kiválóan alkalmas precíziós vezérlést és alacsony teljesítményt igénylő forgatókönyvekhez.
Az egyenáramú hajtóműves motor működési elve az egyenáramú motor és a hajtóműegység együttműködésén alapul. Az egyenáramú motor az elektromos áram és a mágneses mezők kölcsönhatása révén generál forgási teljesítményt, míg a sebességváltó ezt a nagy sebességű forgást alacsony fordulatszámú, nagy nyomatékú kimenetté alakítja. Az áttétel beállításával ez a motor rugalmas fordulatszám-szabályozást és stabil teljesítmény-kimenetet biztosít, így széles körben alkalmazható különféle összetett eszközökben.
A gyakorlati alkalmazásokban az egyenáramú hajtóműves motorokat kis méretük, egyszerű felépítésük és megbízható működésük miatt széles körben használják robotikában, intelligens otthoni eszközökben, repülőgép-modellekben, kisméretű szerszámgépekben és orvosi berendezésekben. Például a robotikában ízületek meghajtására és precíz mozgásszabályozás elérésére használják; háztartási készülékekben, például elektromos függönyökben vagy intelligens zárakban, csendes és hatékony áramellátást biztosítanak a kis eszközök számára; orvosi környezetben nagy pontosságú teljesítményt biztosítanak a precíziós berendezésekhez, például az infúziós pumpákhoz.
Mi a különbség a DC hajtóműves motor és a léptetőmotor között?
Az egyenáramú hajtóműves motor és a léptetőmotor közötti különbségek főként a következő szempontokban mutatkoznak meg: „működési elv”, „szabályozási módszer”, „hatékonyság és energiafogyasztás”, „szerkezeti jellemzők” és „alkalmazási területek”.
Működési elv:
Egyenáramú hajtóműves motor: Az egyenáramú hajtóműves motor egyesíti az egyenáramú motor és a sebességváltó jellemzőit. Működési elve az, hogy a kefék és az armatúra közötti elektromágneses kölcsönhatáson keresztül forgó mechanikai energiát állítanak elő, majd a sebesség csökkentését és a nyomaték növelését a hajtóműrendszeren keresztül. Az egyenáramú motor fordulatszáma arányos a rákapcsolt feszültséggel, míg a sebességváltó nagyobb nyomatékkibocsátást szolgál a fordulatszám csökkentésével.
Léptetőmotor: A léptetőmotor a léptetőmotort és a sebességváltót kombinálja. A léptetőmotor az áramimpulzusok szabályozásával a rotor fix szögekben történő fokozatos elforgatását éri el, lehetővé téve a motor szögének és helyzetének pontos szabályozását. A sebességváltót a sebesség csökkentésére és a nyomaték növelésére használják. A léptetőmotor precíz forgási szögeket és pozíciókat vezérelhet visszacsatoló rendszer nélkül, impulzusjelek segítségével.
Ellenőrzési módszer:
Egyenáramú hajtóműves motor: Általában zárt hurkú vezérlést alkalmaz, visszacsatoló mechanizmusokat használva a motor fordulatszámának és helyzetének pontos szabályozására. Ez előnyt jelent az egyenáramú motoroknak a folyamatos forgást vagy lineáris mozgást igénylő alkalmazásokban, például háztartási készülékekben, szerszámgépekben és járművekben. Természetesen az egyenáramú motorok nyílt hurkú szabályozás mellett is működhetnek, de nyílt hurkú vezérlés mellett nem tudják pontosan szabályozni a fordulatszámot és a pozíciót.
Léptetőmotor: Nyílt hurkú vezérlést használ, nem igényel visszacsatoló rendszert. Az impulzusok számának és frekvenciájának manipulálásával szabályozza a motor forgási szögét és sebességét. Ennek köszönhetően a léptetőmotorok kivételesen jól teljesítenek a precíz vezérlést igénylő alkalmazásokban, például nyomtatókban és robotikában.
Hatékonyság és energiafogyasztás:
DC hajtóműves motor: Általában nagy hatásfokkal rendelkezik, különösen folyamatos működés esetén. Mivel fordulatszámát feszültségszabályozással szabályozzák, jó az energiafelhasználása, hatásfoka jellemzően a terheléshez és a fordulatszámhoz kapcsolódik.
Léptetőmotor: Mivel nyílt hurkú vezérlést használ, gyakran folyamatos áramellátást igényel, ami nagyobb energiafogyasztáshoz vezethet, különösen alacsony terhelés mellett. Bár a precizitása nagy, energiahatékonyságát a terhelés és a sebesség befolyásolhatja.
Szerkezeti jellemzők:
| Jellemzők | DC hajtóműves motor | Léptetős hajtóműves motor |
| Motor típusa | Kefés vagy kefe nélküli DC motor | Kefe nélküli léptetőmotor |
| Motorvezérlési módszer | Áram alapú beállítás, jellemzően nyílt hurkú vagy zárt hurkú szabályozással | Impulzusjel alapú vezérlés, impulzusfrekvenciával vezérelt forgatással |
| Sebességváltó | Sebességcsökkentést és nyomatéknövelést biztosít, általában bolygókerekes sebességváltóval | Sebességcsökkentést és nyomatéknövelést is biztosít, gyakran bolygókerekes sebességváltóval |
| Strukturális komplexitás | A kefés motorok egyszerű felépítésűek, míg a kefe nélküli motorok valamivel bonyolultabbak, de megbízhatóbbak | Viszonylag bonyolult felépítésű, elektronikus vezérlőrendszerekre támaszkodva |
| Zaj | A szálcsiszolt motorok némi zajt keltenek; A kefe nélküli motorok alacsonyabb zajszintet biztosítanak | A léptetővezérlés zajt kelthet változó terhelés mellett |
| Karbantartás és élettartam | A kefés motorok rendszeres kefecserét igényelnek; a kefe nélküli motorok karbantartási igénye alacsony | Kefe nélküli kialakítás, alacsony karbantartási igény és hosszú élettartam |
Miért jobbak az egyenáramú hajtóműves motorok, mint az AC motorok?
A fenti bevezetés révén megértettük a köztük lévő különbségeket. Tehát miért jobbak az egyenáramú hajtóműves motorok, mint az AC hajtóműves motorok? A fő okok ezekben a szempontokban rejlenek: "egyszerű vezérlés", "kiváló indítási teljesítmény", "kompakt szerkezet" és "alacsony költségű karbantartás".
A vezérlés szempontjából az egyenáramú hajtóműves motorok egyszerűbb vezérlési módszerrel rendelkeznek, mint az AC hajtóműves motorok. Az egyenáramú motorok fordulatszáma és iránya a feszültség szabályozásával állítható, így a vezérlőrendszer egyszerűvé és könnyebben kivitelezhetővé válik a zárt hurkú szabályozással. Ez a megközelítés lehetővé teszi, hogy az egyenáramú motorok hatékonyabbak legyenek a precíz beállítást és dinamikus reakciót igénylő alkalmazásokban. Ezzel szemben az AC hajtóműves motorok viszonylag összetett vezérlőrendszereket igényelnek, amelyek általában invertereket vagy más teljesítményelektronikai eszközöket foglalnak magukban a frekvencia és feszültség beállításához, ami növeli a szabályozás nehézségeit és költségét.
Az indítási teljesítmény tekintetében az egyenáramú hajtóműves motorok általában jobban teljesítenek, mint az AC hajtóműves motorok. Az egyenáramú motorok kiváló alacsony fordulatszámú indítási jellemzőkkel rendelkeznek, lehetővé téve a sima indítást további indítóberendezések nélkül, és nagyobb indítási nyomatékot kínálnak. Ezzel szemben a váltakozó áramú hajtóműves motorokhoz további indítóáramkörök vagy eszközök szükségesek az alacsony fordulatszámú indításhoz, és az indítónyomatékuk jellemzően kisebb. Ez az egyenáramú hajtóműves motorokat előnyösebbé teszi azokban az alkalmazásokban, amelyek nagy indítási nyomatékot és gyors reakciót igényelnek.
Ami a kompakt szerkezetet illeti, az egyenáramú hajtóműves motorok gyakran kompaktabbak, mint az AC hajtóműves motorok. Az egyenáramú motorok nem igényelnek további átalakítókat vagy invertereket, és közvetlenül csatlakozhatnak a terheléshez, csökkentve a rendszer teljes méretét és tömegét. A kompakt kialakítás ideális választássá teszi őket különösen a korlátozott helyigényű alkalmazásokban. Másrészt az AC hajtóműves motorokhoz általában nagyobb külső alkatrészekre van szükség a feszültségátalakításhoz és a frekvencia beállításához, ami növeli a szerkezet bonyolultságát.
Ami a karbantartási költségeket illeti, az egyenáramú hajtóműves motorok általában kevesebb karbantartást igényelnek. Az egyenáramú motorok, különösen a kefe nélküli egyenáramú motorok szinte szükségtelenné teszik a rendszeres kefecserét, így szerkezetük egyszerűbb, karbantartási költségei pedig alacsonyabbak. Ezzel szemben az AC hajtóműves motorok több külső elektronikus vezérlőeszközt tartalmaznak, és általában professzionális műszaki támogatást igényelnek a karbantartáshoz, ami magasabb általános karbantartási költségeket eredményez. Ezenkívül a rendszer meghibásodása esetén a váltakozóáramú motorok javítása bonyolultabb, így az egyenáramú hajtóműves motorok költséghatékonyabbak a hosszú távú használathoz.
Miért részesítjük előnyben az egyenáramú hajtóműves motorokat az AC motorokkal szemben?
Mostanra valószínűleg már bizonyosan megértette ezt a témát. Az okok azonban, amelyek miatt az emberek az egyenáramú hajtóműves motorokat részesítik előnyben, messze túlmutatnak ezeken. Az egyenáramú hajtóműves motorok jelentős előnyöket kínálnak olyan területeken, mint a hatékonyság, a stabilitás, a hordozhatóság, a biztonság és a technológiai támogatás.
Hatékonyság és stabilitás tekintetében az egyenáramú hajtóműves motorok jellemzően magasabb energiahatékonyságot mutatnak, különösen alacsony és nagy terhelésű körülmények között. Az egyenáramú motorok a terhelés alapján állíthatják be az áramot, így nagyobb energiaátalakítási hatékonyság érhető el. Ez biztosítja a stabil teljesítményt a hosszan tartó működés során, minimalizálva a felesleges energiapazarlást. Ezenkívül az egyenáramú motorok fordulatszáma arányos a feszültséggel, ami pontosabb szabályozást tesz lehetővé, és hatékonyan elkerüli a gyakori indítások és leállítások okozta instabilitást. Ezek a jellemzők az egyenáramú hajtóműves motorokat előnyösebbé teszik a hatékony és stabil teljesítményt igénylő alkalmazásokban.
Hordozhatóság és használhatóság szempontjából az egyenáramú hajtóműves motorok általában kényelmesebbek és könnyebben használhatók, mint a váltakozó áramú motorok, kompakt szerkezetüknek és egyszerű vezérlésüknek köszönhetően. Az egyenáramú motorok közvetlenül tudnak működni a terheléssel anélkül, hogy további invertereket vagy teljesítményszabályozó eszközöket igényelnének, jelentősen csökkentve a rendszer bonyolultságát és javítva a hordozhatóságot. Ezenkívül sok egyenáramú motort, különösen a kefe nélküli egyenáramú motorokat, könnyebbre tervezték, így alkalmasak szigorú hely- és súlyigényű alkalmazásokhoz. Például kisméretű robotokban vagy hordozható eszközökben az egyenáramú hajtóműves motorok az előnyben részesítettek, mivel könnyűek és könnyen integrálhatók.
Biztonsági szempontból az egyenáramú hajtóműves motorok általában biztonságosabbak, mint az AC motorok. Az egyenáramú motorok alacsonyabb feszültségen működnek, és állítható áramuk miatt jobban tudnak önszabályozni túlterhelés vagy abnormális körülmények között, csökkentve az elektromos meghibásodások és a tűzveszély kockázatát. A kefe nélküli egyenáramú motorok különösen elkerülik a kefesúrlódást, ami kiküszöböli a magas hőmérséklet kialakulását működés közben, tovább csökkentve a túlmelegedés valószínűségét és növelve a biztonságot a használat során. Ezzel szemben a váltakozó áramú motorok nagyfeszültségű és összetett vezérlőrendszereikkel magasabb biztonsági követelményeket és karbantartási kihívásokat jelentenek.
Ami a technológiai támogatást illeti, az egyenáramú hajtóműves motorok jelentős technológiai fejlődésen és fejlesztési támogatáson mentek keresztül az elmúlt években. A kefe nélküli egyenáramú motorok megjelenése nagymértékben javította a motor hatékonyságát és élettartamát, miközben csökkentette a karbantartási igényeket. Az akkumulátor-technológia és a vezérlőrendszerek folyamatos optimalizálásával az egyenáramú motorok alkalmazási lehetőségei egyre szélesebbek. Különösen az olyan területeken, mint az elektromos kéziszerszámok, az intelligens otthoni eszközök, a robotika és az elektromos járművek, az egyenáramú hajtóműves motorok használata nagyon kiforrotttá vált. Ehhez képest az AC motorok lassabb technológiai frissítésekkel rendelkeznek. Bár bizonyos ipari területeken még mindig dominálnak, a nagyobb hatékonyságot és rugalmasságot igénylő alkalmazásokban az egyenáramú motorok kétségtelenül versenyképesebbek.
DC hajtóműves motor gyártója
Pontosan az egyenáramú hajtóműves motorok hatékonyság, stabilitás, hordozhatóság, biztonság és technológiai fejlesztési támogatás előnyei miatt váltak számos modern készülék kedvelt motorjává. Kína vezető egyenáramú hajtóműves motorgyártójaként a VSD a termékteljesítmény, a minőségbiztosítás és a testreszabási képességek jelentős erősségeivel tűnik ki, és világszerte nagy értékű és megbízható egyenáramú hajtóműves motormegoldásokat kínál ügyfeleinek.
A VSD gyár több mint 10,000 négyzetméteren terül el, több mint 4,5 millió motoros havi gyártási kapacitással és akár 99%-os pontos szállítási rátával. Minden termék szigorú zaj-, víz-, porállósági és élettartam-vizsgálaton esik át a kiváló minőség és a tartós stabilitás biztosítása érdekében. Ezenkívül a VSD széles körű testreszabási tapasztalattal rendelkezik, a megrendelések 90%-a kizárólag az ügyfelek igényeire szabott, és olyan területekre terjed ki, mint az intelligens robotika, ipari berendezések és elektromos szerszámok.
Több mint tíz éves iparági tapasztalattal a VSD megbízható partnerré vált egyenáramú hajtóműves motorgyártóként. Ha nagy teljesítményű, testreszabható motormegoldásokra van szüksége, a VSD a legjobb választás!
További információ:VSD DC hajtóműves motor gyártó több mint 10 éve
VSD DC hajtóműves motorok ajánlásai
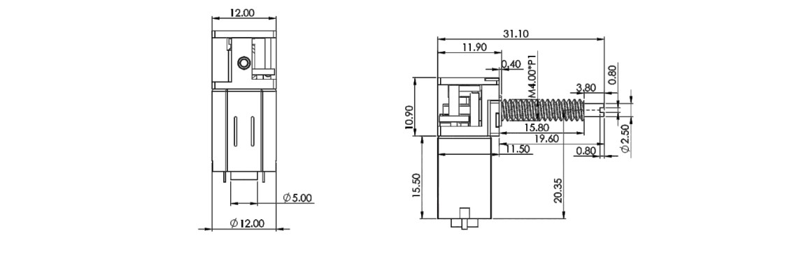
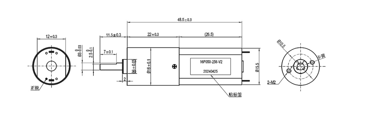
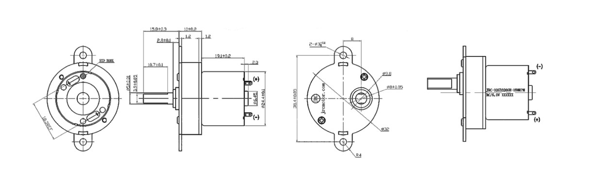
| Termék kép |
|
|
|
||||
| Motor modell | VSD-12FN20 | VSD-N20 | VSD-16P030 | ||||
| FESZÜLTSÉG | MŰKÖDÉSI TARTOMÁNY | 4~5 | 8~14 | 8~16 | 18~26 | 3~12 | 3~12 |
| NÉVLEGES V |
4.5 | 12 | 12 | 24 | 6 | 12 | |
| NINCS TERHELÉS | SEBESSÉG r/perc |
43.5 | 121.94 | 710 | 1546 | 59 | 126.87 |
| RIBIZLI A |
0.036 | 0.032 | 0.064 | 0.061 | 0.95 | 0.095 | |
| MAXIMÁLIS HATÉKONYSÁGON | SEBESSÉG r/perc |
34 | 104 | 544 | 1213 | 43 | 101 |
| JELENLEGI A |
0.13 | 0.212 | 0.165 | 0.233 | 0.263 | 0.372 | |
| NYOMATÉK mN.m |
82.5 | 154.559 | 14.985 | 25.133 | 182.933 | 301.598 | |
| KIMENET W |
0.295 | 1.689 | 0.803 | 3.193 | 0.83 | 3.191 | |
| INDÍTÁS | NYOMATÉK mN.m |
382.2 | 1071.429 | 53.578 | 116.668 | 689.036 | 1481.621 |
| JELENLEGI A |
0.471 | 1.255 | 0.424 | 0.849 | 0.727 | 1.454 | |
| Terméktervezés | ![]() |
|
|
||||
| A termék teljesítménye |
|
|
|
||||
*A fenti adatok belső teszteredményekből származnak, és nem adnak pontos adatokat.
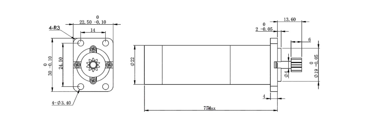
| Termék kép |
|
|
|
||||
| Motor modell | VSD-16P050 | VSD-24P370 | VSD-22PG2233 | ||||
| FESZÜLTSÉG | MŰKÖDÉSI TARTOMÁNY | 6 | 12 | 3~12 | 3~12 | 8~16 | 18~26 |
| NÉVLEGES V |
6 | 12 | 6 | 12 | 12 | 24 | |
| NINCS TERHELÉS | SEBESSÉG r/perc |
26 | 59 | 160.71 | 540 | 107.42 | 229.4 |
| RIBIZLI A |
0.187 | 0.175 | 0.09 | 0.09 | 0.4 | 0.36 | |
| MAXIMÁLIS HATÉKONYSÁGON | SEBESSÉG r/perc |
17 | 42 | 91 | 351 | 80 | 184 |
| JELENLEGI A |
0.344 | 0.444 | 0.119 | 0.168 | 1.57 | 1.637 | |
| NYOMATÉK mN.m |
225.924 | 410.971 | 8.885 | 24.163 | 558.474 | 991.961 | |
| KIMENET W |
0.403 | 1.816 | 0.085 | 0.889 | 4.669 | 17.606 | |
| INDÍTÁS | NYOMATÉK mN.m |
642.13 | 1456.246 | 20.589 | 69.178 | 2174.499 | 4643.918 |
| JELENLEGI A |
0.634 | 1.129 | 0.156 | 0.312 | 3.349 | 6.699 | |
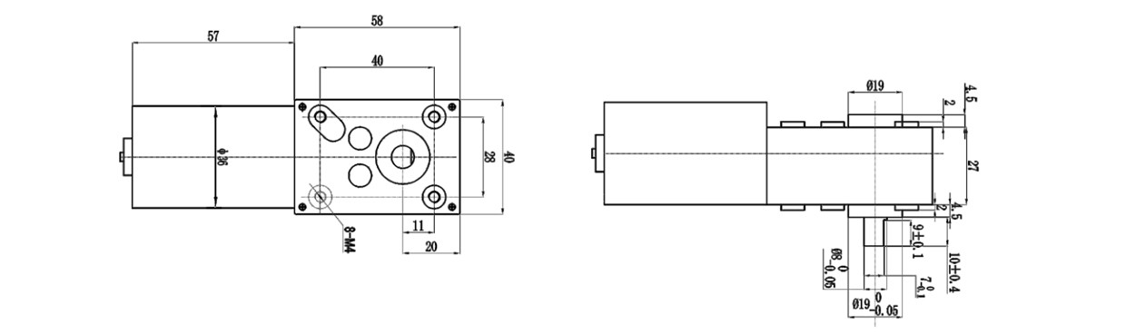
| Terméktervezés |
|
|
|
||||
| A termék teljesítménye |
|
|
|
||||
*A fenti adatok belső teszteredményekből származnak, és nem adnak pontos adatokat.
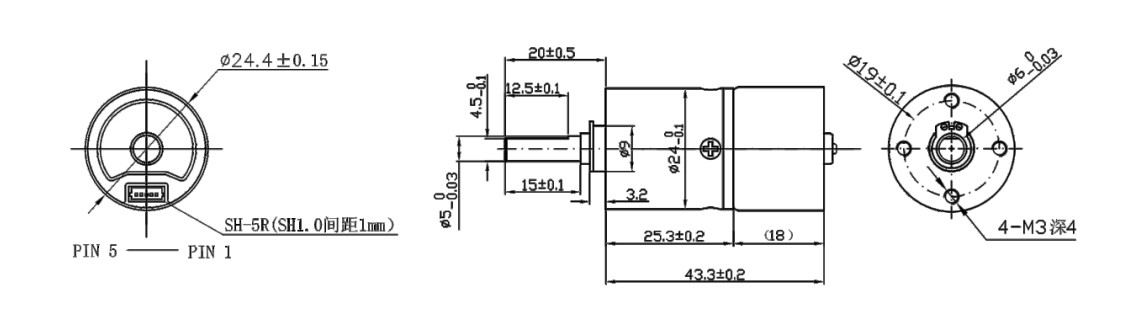
| Termék kép |
|
|
|
||||
| Motor modell | VSD-24P2418 | VSD{0}}G320 | VSD-58W3657 | ||||
| FESZÜLTSÉG | MŰKÖDÉSI TARTOMÁNY | 8~16 | 18~26 | 5~6 | 8~16 | 8~14.4 | 22~26 |
| NÉVLEGES V |
12 | 24 | 6 | 12 | 12 | 24 | |
| NINCS TERHELÉS | SEBESSÉG r/perc |
137.88 | 302 | 147 | 307.5 | 5.29 | 11.6 |
| RIBIZLI A |
0.08 | 0.075 | 0.45 | 0.42 | 0.35 | 0.35 | |
| MAXIMÁLIS HATÉKONYSÁGON | SEBESSÉG r/perc |
98 | 235 | 116 | 255 | 4 | 9 |
| JELENLEGI A |
0.2 | 0.283 | 1.703 | 2.194 | 0.869 | 1.229 | |
| NYOMATÉK mN.m |
62.498 | 105.63 | 278.254 | 513.351 | 3197.82 | 5415.105 | |
| KIMENET W |
0.645 | 2.604 | 3.388 | 13.717 | 1.263 | 5.12 | |
| INDÍTÁS | NYOMATÉK mN.m |
218.805 | 479.247 | 1331.142 | 3016.575 | 11140.506 | 24436.119 |
| JELENLEGI A |
0.5 | 1 | 6.443 | 10.7 | 2.159 | 4.318 | |
| Terméktervezés |
|
|
|
||||
| A termék teljesítménye |
|
|
|
||||
További információ:VSD alacsony fordulatszámú, nagy nyomatékú DC hajtóműves motor

































