
Coreless Motor: Ventilátorok, fúvók, kézi elektromos gyakorlatok stb.
A VSD Coreless DC motorja a 2024 -es legújabb standard termék, amely fejlett kefe nélküli DC motoros technológiát alkalmaz, miközben kérésre támogatja az egyedi szálcsiszolt DC motorokat.
Akár precíziós műszerekben, kézi eszközökben vagy robotmeghajtókban alkalmazzák, a VSD Coreless DC motorjai nagy hatékonyságú és megbízható energiamegoldásokat biztosítanak a projektjeihez. Válassza ki a VSD -t a finomabb részletekért és a pontosabb vezérléshez minden meghajtóban!
Leírás
A legújabb nagysebességű Coreless motor
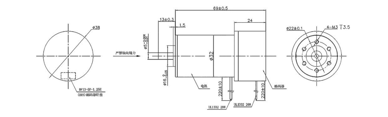
| Termékkép | |||||||||
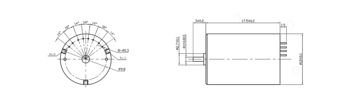
| Motoros modell | Vec -1218 | Vec -0824 | Vec -1630 | Vec -2242 HI | |||||
| Feszültség | Üzemeltetési tartomány | 8~14 | 22~26 | 6~12 | 8~14 | 8~14 | 22~26 | 18 | 22~32 |
| NÉVLEGES V |
12 | 24 | 6 | 12 | 12 | 24 | 18 | 24 | |
| Nincs terhelés | SEBESSÉG r/perc |
30080 | 62215 | 35000 | 71171 | 18408 | 37411 | 52379 | 70170 |
| Curnt A |
0.12 | 0.1 | 0.055 | 0.055 | 0.136 | 0.136 | 0.37 | 0.37 | |
| Maximális hatékonyságon | SEBESSÉG r/perc |
24010 | 52777 | 29663 | 63138 | 15640 | 33250 | 46083 | 62746 |
| JELENLEGI A |
0.475 | 0.671 | 0.306 | 0.432 | 0.768 | 1.087 | 2.708 | 3.127 | |
| Nyomaték MN.M |
1.373 | 2.095 | 0.369 | 0.556 | 4.041 | 6.075 | 7.827 | 9.23 | |
| Kibocsátás W |
3.453 | 11.579 | 1.147 | 3.673 | 6.619 | 21.153 | 37.773 | 60.65 | |
| Indulás | Nyomaték MN.M |
6.807 | 13.811 | 2.421 | 4.922 | 26.872 | 54.614 | 65.112 | 87.236 |
| JELENLEGI A |
1.878 | 3.752 | 1.699 | 3.398 | 4.341 | 8.682 | 19.817 | 26.425 | |
| Terméktervezés |
|
|
|
|
|||||
| Termékteljesítmény |
|
|
|
|
|||||
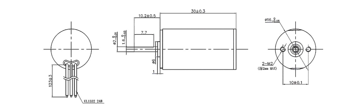
| Termékkép | |||||||||
| Motoros modell | Vec -2850 | VEC -1656 SI | VEC -3260 SI | Vec -3269 | |||||
| Feszültség | Üzemeltetési tartomány | 8.4~14.4 | 22~26 | 8~14 | 22~32 | 8.4~14.4 | 22~26 | 8.4~14.4 | 22~26 |
| NÉVLEGES V |
12 | 24 | 12 | 24 | 12 | 24 | 12 | 24 | |
| Nincs terhelés | SEBESSÉG r/perc |
8658 | 17650 | 37256 | 7500 | 3301 | 6748 | 2566 | 5236 |
| Curnt A |
0.26 | 0.22 | 0.286 | 0.281 | 0.141 | 0.138 | 0.139 | 0.134 | |
| Maximális hatékonyságon | SEBESSÉG r/perc |
7261 | 15536 | 33133 | 69025 | 2738 | 5891 | 2146 | 4599 |
| JELENLEGI A |
1.351 | 1.911 | 2.298 | 3.249 | 0.685 | 0.969 | 0.709 | 1.003 | |
| Nyomaték MN.M |
14.867 | 22.492 | 7.165 | 10.555 | 19.256 | 29.298 | 26.076 | 42.08 | |
| Kibocsátás W |
11.305 | 36.593 | 24.86 | 76.291 | 5.52 | 18.074 | 5.86 | 20.265 | |
| Indulás | Nyomaték MN.M |
92.126 | 187.794 | 64.727 | 130.473 | 112.833 | 230.655 | 159.113 | 345.727 |
| JELENLEGI A |
7.022 | 14.043 | 18.46 | 36.92 | 3.33 | 6.66 | 3.618 | 7.238 | |
| Terméktervezés |
|
|
|
|
|||||
| Termékteljesítmény |
|
|
|
|
|||||
Bevezetés a Coreless Motorba
A VSD Coreless DC motorja a 2024 -es legújabb standard termék, amely fejlett kefe nélküli DC motoros technológiát alkalmaz, miközben kérésre támogatja az egyedi szálcsiszolt DC motorokat. Ezek a motorok kompakt kialakítású és kiemelkedő teljesítményt nyújtanak, így ideális megoldást jelentenek a különféle terepi igények kielégítésére.
A Coreless DC motorjaink teljes mérettartományban kaphatók (például 10 mm, 16 mm, 20 mm stb.), És támogatják a különféle sebességkonfigurációkat, 2000 R/perc és 90000 R/perc között. A névleges feszültségek között szerepel a 6 V, 12 V, 18 V és 24 V, a különféle energiaszolgáltatási igények kielégítése mind az ipari, mind a háztartási alkalmazásokhoz.
A VSD Coreless DC Motors kialakítása kiemelkedik a kulcsfontosságú területeken, alacsony zajjal, nulla cogging, ultra nagy sebességgel, alacsony tehetetlenséggel és gyors reakcióval. Ezek az előnyök nemcsak javítják a motorok működési hatékonyságát, hanem a stabil és megbízható teljesítményt is biztosítják összetett munkakörülmények között, nagy teljesítményű biztosítást biztosítva a felhasználók számára.
A különféle vevői igények kielégítése érdekében átfogó testreszabási szolgáltatásokat kínálunk, ideértve a kimeneti tengelyek, vezetékek, terminálvezetékek, szerelési lyukak, sebesség és feszültség személyre szabott kiigazításait. Ezenkívül termékeink olyan nemzetközi tanúsításokat szereztek, mint az ISO és a CE, biztosítva a biztonság és a minőség megbízhatóságát.
Jelenleg a VSD Coreless DC motorokat széles körben használják ventilátorokban, fúvókában, kézi gyakorlatokban, elektromos fogkefékben és egyéb mezőkben, az új alkalmazási forgatókönyvek folyamatos kibővítésével. A VSD Motors kiválasztása hatékony és megbízható terméktámogatást biztosít, valamint a rugalmas szolgáltatási élményeket, és további lehetőségeket ad a projektekhez.
A VSD Coreless DC motorok előnyei
A VSD Coreless DC motorjai kiváló teljesítményük és kompakt kialakításuk miatt kiemelkednek a precíziós berendezések iparában. Tervezésük gondosan kiegyensúlyozza a hatékonyságot és a teljesítményt.
Alacsony zaj: A minimális rezgés és az alacsony zaj a működés közben tökéletes megoldást kínál a zajérzékeny alkalmazási forgatókönyvekhez.
Nulla cogging: Az optimalizált mágneses mező szerkezete hatékonyan csökkenti a nyomaték fodrozódását, javítja a motor stabilitását és hatékonyságát.
Ultra-nagy sebesség: A rendkívül nagy forgási sebességet támogatja, ideális nagy teljesítményű berendezésekhez, amelyek gyors cselekvési reagálást igényelnek.
Alacsony tehetetlenség: Az egyedi coreless kialakítás jelentősen csökkenti a forgórész súlyát, és reagálóbb start-stop vezérlést ér el.
Gyors válasz: A könnyű kialakításnak és a nagy pontosságú gyártásnak köszönhetően a motor gyorsan alkalmazkodik a hirtelen terhelésváltozáshoz, kivételes dinamikus teljesítményt nyújtva.
Kompakt méret: A kicsi és könnyű motor erőteljes támogatást nyújt korlátozott terekben.
Akár precíziós műszerekben, kézi eszközökben vagy robotmeghajtókban alkalmazzák, a VSD Coreless DC motorjai nagy hatékonyságú és megbízható energiamegoldásokat biztosítanak a projektjeihez. Válassza ki a VSD -t a finomabb részletekért és a pontosabb vezérléshez minden meghajtóban!
A Coreless DC motorok alkalmazásai
A VSD Coreless DC motorjait kiemelkedő teljesítményükkel és kompakt kialakításukkal széles körben alkalmazzák a különböző területeken, és a precíziós berendezések alapvető alkatrészeként szolgálnak.
Megbízható támogatást nyújtanak a következő alkalmazásokhoz:
Ventilátorok és fúvók: Hatékony és stabil légáram kimenetet érnek el csendes működéssel, otthoni, irodai és ipari környezethez.
Kézi gyakorlatok: Adjon erős energiát és gyors reagálást, biztosítva a kiváló teljesítményt még nehéz terhelés alatt, javítva a professzionális eszközök megbízhatóságát és hatékonyságát.
Elektromos fogkefék: Az alacsony zaj és a nagysebességű működés kényelmes felhasználói élményt nyújt, pontos meghajtóval, biztosítva a tisztítási hatékonyságot, megfelelve a csúcskategóriás gondozó eszközök igényeinek.
Megbízható Coreless DC motorgyártó
Mint a gyártók, amelyek évek óta mélyen gyökerezik a motoriparban, a VSD elkötelezett amellett, hogy kiváló minőségű Coreless DC motorokat biztosítson az ügyfeleknek. Hírek vagyunk a fejlett technológiánkról, a legmodernebb berendezésekről, a szigorú minőség-ellenőrzésről, valamint az innovatív kutatásokról és fejlesztésről.
Nemzetközi tanúsítás és minőségbiztosítás
A VSD megszerezte az ISO és CE tanúsítványokat, és fejlett tesztelő berendezéseket vezetett be annak biztosítása érdekében, hogy minden Coreless DC motor megfeleljen a nemzetközi szabványoknak. Termékminőség -ellenőrzési folyamatunk magában foglalja a keménységmérést, az átfogó teljesítményteszteket és egyebeket, garantálva a megbízhatóságot és a tartósságot.
Automatizált gyártósorok
Készítő vonalunk teljesen automatizált, gépekkel, például automatikus tekercses gépekkel, automatikus állórészgépekkel, automatikus állórésztakarógépekkel és automatikus forrasztógépekkel felszerelt. Ezek nemcsak javítják a termelés hatékonyságát, hanem biztosítják a termékek konzisztenciáját és nagy pontosságát is.
Erős K + F képesség
Van egy független K + F csapatunk tapasztalt mérnökökkel, és évente jelentős pénzeszközöket fektetünk be az új motoros modellek fejlesztésére és megtervezésére az ügyfelek változó igényeinek kielégítése érdekében. Akár a standard termékek, akár az OEM/ODM testreszabás esetén, szakmai tanácsadást és innovatív megoldásokat kínálunk.
Átfogó testreszabási szolgáltatások
Az ügyfelek egyedi igényeinek kielégítése érdekében a VSD testreszabási szolgáltatásokat nyújt, amelyek mindent tartalmaznak az anyagoktól a teljesítményig. K + F csapatunk motoros termékeket tervez és gyárt az ügyfelek egyedi követelményei alapján.
Válassza ki a VSD -t, hogy együttműködjön egy megbízható és innovatív motorgyártó céggel. Kiváló minőségű és professzionális szolgáltatást biztosítunk a projektek védelme érdekében!
Tudjon meg többet:A VSD egyedi coreless motoros képességei
A szálláslekérdezés elküldése
Akár ez is tetszhet































